Issue Details

Cover
September, 2018

Volume: 6, Issue: 3

📅 Published on: 05 Sep 2018

Articles in this Issue

1. 5 Sep, 2018 Research Article
Exploring the Molecular Interactions of Nicotinic Acid Prevailing in Salicylic Acid + H2O, Anthranilic Acid + H2O and o-Nitrobenzoic Acid + H2O Mixed System at Different Temperatures

Authors: Kalipada Sarkar, Mahendra Nath Roy*

DOI: 10.22607/IJACS.2018.603001 | Pages: 96-106

Article Image
2. 5 Sep, 2018 Review Article
Recent Developments and Challenges in Microbial Fuel Cell’s for Bioelectricity Production-Review article

Authors: Devanand Maski, J. Neeraja, Siddaramaiah

DOI: 10.22607/IJACS.2018.603002 | Pages: 107-110

Article Image
3. 5 Sep, 2018 Research Article
Removal of Acid Blue 25 Dye from Wastewater using Rambutan (Nephelium lappaceum Linn.) Seed as an Efficient Natural Biosorbent

Authors: Sivarama Krishna Lakkaboyana*, Soontarapa Khantong*, Mohammad Alamgir Kabir, Yuzir Ali, Wan Zuhairi Wan Yaacob

DOI: 10.22607/IJACS.2018.603003 | Pages: 111-117

Article Image
4. 5 Sep, 2018 Review Article
Supported Liquid Membrane Technology: Advances and Review of its Applications-Review article

Authors: Neha Padwal*, Supriya S. Prakash, Shreya Thakkar, Tejaswini Deshpande

DOI: 10.22607/IJACS.2018.603004 | Pages: 118-129

Article Image
5. 5 Sep, 2018 Research Article
Eco-friendly Synthesis of Silver Nanoparticles Using Plumeria obtusa Plant Leaves Extract - A Spectral Study and Antibacterial Activity

Authors: Arun Babu Birusanti*, Umamahesh Mallavarapu, Devanna Nayakanti, Chandra Sekhar Espenti, Seenivasulu Mala

DOI: 10.22607/IJACS.2018.603005 | Pages: 130-134

Article Image
6. 5 Sep, 2018 Research Article
Chitosan-based Interpenetrating Polymeric Network Microgels for Colon-Specific Drug Delivery of 5-Fluorouracil

Authors: K. S. V. Krishna Rao*, P. Rama Subba Reddy, K. Madhusudana Rao, Chang-Sik Ha*

DOI: 10.22607/IJACS.2018.603006 | Pages: 135-141

Article Image
7. 5 Sep, 2018 Research Article
Novel Validated Stability-indicating Ultra-performance Liquid Chromatography Method for the Determination of Roflumilast and its Degradation Products in Active Pharmaceutical Ingredient and in Pharmaceutical Dosage Forms

Authors: Varaprasad Jagadabi, P. Venkata Nagendra Kumar*, Srinivasu Pamidi, L. A. Ramaprasad, R. Ramakrishna

DOI: 10.22607/IJACS.2018.603007 | Pages: 142-148

Article Image
8. 5 Sep, 2018 Research Article
Adsorption of Methyl Orange on Syzygium cumini Seed Powder: Kinetics, Isotherms, and Thermodynamic Studies

Authors: Karuna Devi Rachapudi, Jaya Malathi Jagadeeson, Raja Kumar Challagundla, Sreeramulu Dasari, Vijaya Yarramuthi*

DOI: 10.22607/IJACS.2018.603008 | Pages: 149-155

Article Image
9. 5 Sep, 2018 Research Article
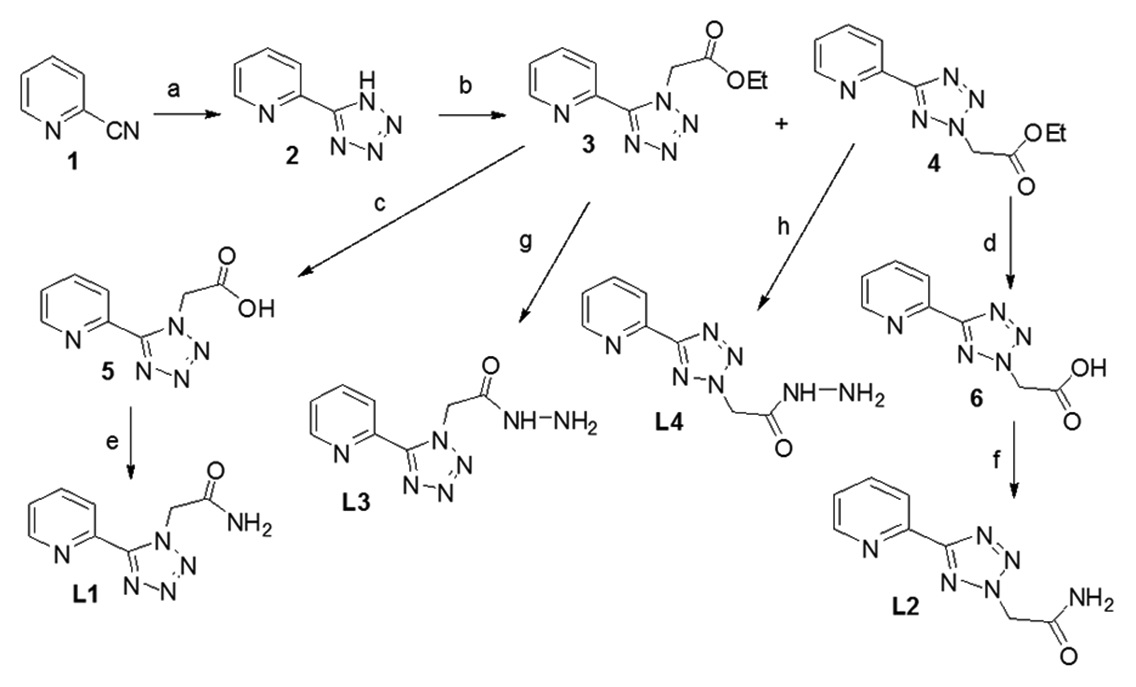
Mixed ligand Copper(II) complexes of polyazole ligands with pendant arms amide and hydrazide – DNA binding activity

Authors: Ch. Himasekhar, M. S. Surendrababu*

DOI: 10.22607/IJACS.2018.603009 | Pages: 156-162

Article Image
10. 5 Sep, 2018 Research Article
Synthesis of Silver Nanocomposite Hydrogel from Lysozyme-Mediated Poly(acrylamide) for the Inactivation of Pathogenic Bacteria

Authors: G. Viswanatha Reddy, K. Madhusudana Rao, K. S. V. Krishna Rao*, Chang-Sik Ha*

DOI: 10.22607/IJACS.2018.603010 | Pages: 163-170

Article Image
11. 5 Sep, 2018 Research Article
Study to Explore Complexation of Crown Ether with Antidepressant Drug Prevalent in Aqueous System by Physicochemical Contrivance

Authors: Ashutosh Dutta, Biraj Kumar Barman, Beauty Mahato, Habibur Rahaman, Mahendra Nath Roy*

DOI: 10.22607/IJACS.2018.603011 | Pages: 171-177

Article Image